MPP 0.1UF

MPP 0.1UF
产品特性 产品规格 产品认证

FEATURE 

特点

Non-inductive and self-healing

无感型,自愈性

Low DF and high IR

低损耗,高绝缘

High stability of capacitance and DF versus temperature and frequency

容量、损耗对温度、频率具高稳定性

Very small inherent temperature rise

极低内部温升

APPLICATION

用途

General resonance circuit

谐振回路

Widely used in DC pulse,high frequency and high current circuit

适用于直流、脉冲高频低电流回路

 

Providing optimum performance with small size of in S-shaping correction of Colour TV set

适用于要求体积小性能优的彩电S校正电路

SPECIFICATIONS技术要求:

DIELECTRIC

介质

Polypropylene film

聚丙烯薄膜

ELECTRODES

电极

Vacuum evaporated metal

真空蒸镀金属

COATING

包封

Epoxy resin coating

环氧树脂封装

LEADS

导线

 Radial leads of tinned wire

径向镀锡导线

 REFERENCE STANDARD

引用标准

IEC 384-16; GB 10190-1988

CLIMATIC CATALOGUE

气候类别

 40/85/21

CAPACITANCE VERSUS

RATED VOLTAGE (UR)

静电容量与额定电压

 0.01uF-3.3uF100/ 250VDC      0.01uF-3.3uF/ 400VDC

 0.01uF-2.2uF/ 630VDC 

CAPACITANCE TOLERANCE

 静电容量误差

 M=±20%  K=±10%  J=±5%

DISSIPATION FACTOR

(TANGENT OF LOSS)

散逸因素(损耗角正切)

DF≤0.1% (at 20℃,1KHz)

VOLTAGE PROOF

耐电压

1.6*UR   Unit:VDC (5s at 20℃)  

INSULATION RESISTANCE

绝缘电阻

C≤0.33µF  IR≥30000MΩ;

C>0.33µF  IR*C≥5000S  (1minute at 20℃ and RH≤65%)

ENDURANCE

耐久性

1000 hours with 125% of rated voltage at 85℃.After the test:

85℃条件下,125%之额定电压1000小时。试验完成后:

△C/C≤5%;△DF≤0.4%   IR≥50% of the specified value (标称值),

(20℃,1KHz)

 

 

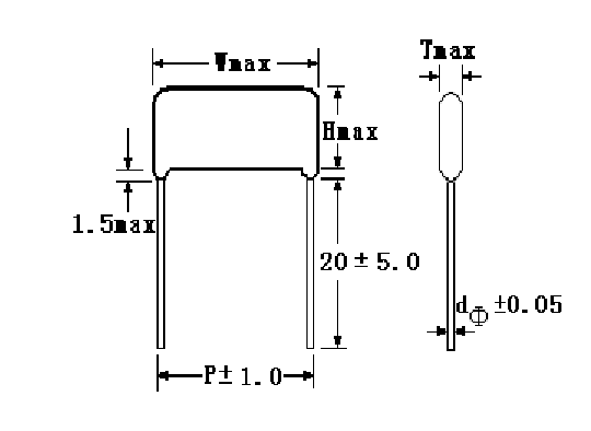
OUTLINE DRAWING  外形图              ★PICTURE  实物图

DIMENSION尺寸                                      UNIT 单位:mm

 

SPECIAL SIZE OR ITEMS ON REQUEST)可依需求制作特殊规格

CAPACITANCE

160/250VDC

400VDC

630VDC

SYMBOL

μF

W

H

T

P

W

H

T

P

W

H

T

P

103

0.010

13.0

10.0

6.0

10.0

0.6

13.0

10.0

6.0

10.0

0.6

13.0

9.0

5.5

10.0

0.6

153

0.015

13.0

10.0

6.0

10.0

0.6

13.0

10.0

6.0

10.0

0.6

13.0

11.5

7.5

10.0

0.6

223

0.022

13.0

11.0

7.0

10.0

0.6

13.0

10.0

7.0

10.0

0.6

13.0

12.0

8.0

10.0

0.8

333

0.033

13.0

11.0

7.0

10.0

0.6

13.0

11.0

7.0

10.0

0.6

18.0

12.5

8.0

15.0

0.8

473

0.047

13.0

11.0

7.0

10.0

0.6

13.0

11.0

7.0

10.0

0.6

18.0

14.5

9.0

15.0

0.8

683

0.068

13.0

12.0

7.0

10.0

0.6

18.0

12.5

7.0

15.0

0.8

18.0

17.0

10.0

15.0

0.8

18.0

12.5

7.0

15.0

0.6

24.0

14.5

9.0

20.0

0.8

104

0.10

13.0

13.0

7.0

10.0

0.6

18.0

13.0

8.0

15.0

0.8

18.0

17.0

10.0

15.0

0.8

18.0

12.5

7.0

15.0

0.8

24.0

14.5

10.0

20.0

0.8

154

0.15

18.0

12.5

7.5

15.0

0.8

24.0

14.5

8.0

20.0

0.8

24.0

17.5

11.5

20.0

0.8

224

0.22

18.0

14.5

9.0

15.0

0.8

24.0

14.5

9.0

20.0

0.8

31.0

20.0

11.5

27.5

0.8

334

0.33

18.0

17.0

10.0

15.0

0.8

24.0

17.5

11.0

20.0

0.8

31.0

20.0

13.0

27.5

0.8

24.0

14.5

9.0

20.0

0.8

394

0.39

18.0

18.0

11.0

15.0

0.8

26.0

19.0

12.0

22.5

0.8

31.0

24.5

15.5

27.5

0.8

24.0

14.5

10.0

20.0

0.8

30.0

18.0

11.0

27.5

0.8

474

0.47

18.0

18.0

11.0

15.0

0.8

26.0

19.0

12.0

22.5

0.8

31.0

24.5

15.5

27.5

0.8

24.0

14.5

10.0

20.0

0.8

30.0

18.0

11.0

27.5

0.8

684

0.68

24.0

17.5

11.5

20.0

0.8

31.0

20.0

12.0

27.5

0.8

31.0

25.5

17.0

27.5

0.8

105

1.0

24.0

18.0

13.0

20.0

0.8

31.0

22.0

13.0

27.5

0.8

31.0

27.0

18.0

27.5

0.8

31.0

20.0

11.5

27.5

0.8

155

1.5

31.0

22.0

13.0

27.5

0.8

31.0

25.0

17.0

27.5

0.8

31.0

28.0

19.0

27.5

0.8

225

2.2

31.0

25.0

15.0

27.5

0.8

31.0

31.0

19.0

27.5

0.8

36.0

35.0

26.0

31.0

0.8

335

3.3

31.0

27.0

17.0

27.5

0.8

36.0

34.0

24.0

31.0

0.8

 

 

 

 

 

 

規格書一:下載附件

点击这里给我发送消息