PEN

聚酯膜-箔式电容器()无感型
产品特性 产品规格 产品认证

 

PENCL12 Polyester Film/foil Capacitor (Non-inductive)

                      聚酯膜-箔式电容器(无感型)

 

 

FEATURE

特点

High stability of capacitance and DF versus temperature and frequency.

容量,损耗随温度频率具高稳定性

 High IR

.高绝缘

 Non-inductive construction

无感型结构

 High pulse rise rate(du/dt) and suitable for large current circuit

高电流爬升速率并适用于大电流直流、脉冲回路

 ★APPLICATION

用途

Most suitable for high frequency large current circuit and s-shaping correction in TV set voltage DC and pulse circuits

 

电视中S-形校正回路及高频大电流回路

Filter and noise suppression circuit

滤波及噪音抑制回路

 

SPECIFICATIONS技术要求

  DIELECTRIC

介质

Polyester film

聚酯薄膜

   ELECTRODES

电极

Aluminum foil

铝箔极板

 COATING

包封

Epoxy resin coating

环氧树脂封装

  LEADS

导线

Radial leads of tinned wire

径向镀锡导线

REFERENCE STANDARD

引用标准

IEC 384-13 ;SJ/T 10787-1996

CLIMATIC CATALOGUE

气候类别

40/85/21 (From 85℃ up to 105℃ with derating voltage 1.25%/℃)

         (85℃至105℃间按1.25%/℃递减电压)

  CAPACITANCE VERSUS

 RATED VOLTAGE(UR)

 静电容量与额定电压

0.001μF-0.47μF/100VDC      0.001μF-0.47μF/250VDC

0.001μF-0.47μF/400VDC;    0.001μF-0.33μF/30VDC

 CAPACITANCE TOLERANCE

 静电容量误差

M=±20%  K=±10%  J=±5%

    DISSIPATION FACTOR

  (TANGENT OF LOSS)

   散逸因素(损耗角正切)

≤1.0%   (at 20℃1KHz)

  VOLTAGE PROOF

耐电压

2.0*UR  Unit:VDC  (1minute at 20℃and RH≤65%)

  INSULATION RESISTANCE

 绝缘电阻

C≤0.33μF, IR≥15000MΩ; C>0.33μF, IR*C≥3000S 

(1minute at 20℃ and RH≤65%)

 ENDURANCE

 耐久性

2000 hours with 150% of rated voltage at 85℃.After the test:

85℃条件下,150%之额定电压1000小时。试验完成后:

△C/C≤5%;△DF≤1%

 IR≥50% of the specified value (标称值) (20℃ 1KHz)

                                      

 

 

 

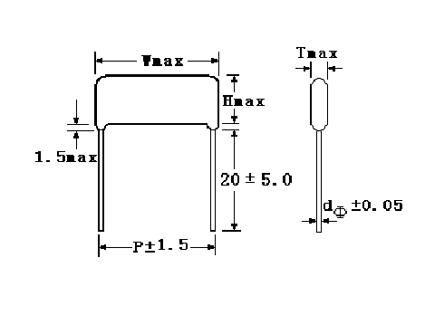
OUTLINE DRAWING 外形图            PICTURE  实物图

 

CAPACITANCE

50V/100VDC

250VDC

400VDC

630VDC

SYMBOL

μF

W

H

T

P

W

H

T

P

W

H

T

P

W

H

T

P

102

0.0010

10.0

10.0

6.0

7.5

0.6

10.0

10.0

6.0

7.5

0.6

10.0

10.0

6.0

7.5

0.6

10.0

10.0

6.0

7.5

0.6

152

0.0015

10.0

10.0

6.0

7.5

0.6

10.0

10.0

6.0

7.5

0.6

10.0

10.0

6.0

7.5

0.6

10.0

10.0

6.0

7.5

0.6

222

0.0022

10.0

10.0

6.0

7.5

0.6

10.0

10.0

6.0

7.5

0.6

10.0

10.0

6.0

7.5

0.6

10.0

10.0

6.0

7.5

0.6

332

0.0033

10.0

10.0

6.0

7.5

0.6

10.0

10.0

6.0

7.5

0.6

10.0

10.0

6.0

7.5

0.6

10.0

10.0

6.0

7.5

0.6

472

0.0047

10.0

10.0

6.0

7.5

0.6

10.0

10.0

6.0

7.5

0.6

10.0

10.0

6.0

7.5

0.6

10.0

10.0

6.0

7.5

0.6

682

0.0068

10.0

10.0

6.0

7.5

0.6

10.0

10.0

6.0

7.5

0.6

10.0

10.0

6.0

7.5

0.6

10.0

10.0

6.0

7.5

0.6

103

0.010

12.0

9.0

5.0

10.0

0.6

10.0

10.0

6.0

7.5

0.6

10.0

10.0

6.0

7.5

0.6

14.0

11.5

7.0

10.0

0.6

153

0.015

14.0

10.0

7.0

10.0

0.6

14.0

10.0

7.0

10.0

0.6

14.0

10.0

7.0

10.0

0.6

14.0

11.5

7.0

10.0

0.6

223

0.022

14.0

10.0

7.0

10.0

0.6

14.0

10.0

7.0

10.0

0.6

14.0

10.0

7.0

10.0

0.6

14.0

13.5

9.0

10.0

0.6

333

0.033

14.0

10.0

7.0

10.0

0.6

14.0

10.0

7.0

10.0

0.6

14.0

10.0

7.0

10.0

0.6

14.0

15.0

9.0

10.0

0.6

473

0.047

14.0

11.0

7.0

10.0

0.6

14.0

11.0

7.0

10.0

0.6

18.0

13.0

8.5

15.0

0.8

23.0

15.0

8.5

20.0

0.8

683

0.068

14.0

12.0

6.5

10.0

0.6

18.0

13.0

8.5

15.0

0.8

23.0

15.0

8.0

20.0

0.8

23.0

17.0

9.0

20.0

0.8

104

0.10

18.0

11.0

7.0

15.0

0.8

23.0

15.0

8.0

20.0

0.8

23.0

16.0

9.0

20.0

0.8

23.0

19.0

10.5

20.0

0.8

154

0.15

18.0

13.0

8.0

15.0

0.8

23.0

16.0

9.0

20.0

0.8

31.0

18.0

9.0

27.5

0.8

31.0

19.0

11.0

27.5

0.8

224

0.22

18.0

16.0

11.5

15.0

0.8

23.0

18.0

11.0

20.0

0.8

31.0

19.0

10.0

27.5

0.8

31.0

23.0

14.0

27.5

0.8

334

0.33

23.0

19.0

11.0

20.0

0.8

31.0

19.0

10.0

27.5

0.8

31.0

21.5

13.5

27.5

0.8

31.0

25.0

15.0

27.5

0.8

474

0.47

23.0

21.0

12.5

20.0

0.8

31.0

21.0

12.0

27.5

0.8

31.0

27.0

18.0

27.5

0.8

 

 

 

 

 

 

PEN产品规格书 点击下载

点击这里给我发送消息