MXY

MXY NOISE SUPRESSION CAPACITORS (Encased) 抗干扰电容器(盒子型)
Product Features Product Specifications Product Certification

 

MXY  NOISE SUPRESSION CAPACITORS (Encased)
                    抗干扰电容器(盒子型)
 
 

FEATURE 

特点

·Capacitor network has one X2 and two Y2 capacitors in a compact package.

电容由一个X2 和两个 Y2电容 组成。

Excellent common and normal mode capability in a wide capacitance selection

再较宽的容量选择范围内有优异的共同容量和形式容量

Y2 capacitors grounded to exlernal mounting tab or common lead.

Y2 电容接地到外底座或公共线。

Installed cost saving with single packing design.

单一包封节省安装费用。

APPLICATION

用途

Radio-frequency interference currents are  by-pass

射频突波抑制电流旁路

Antenna coupling, Across-the-line, spark kills.

线间跨接天线耦合电火消制回路

EMI and FMI filter

频率和电磁调制滤波。

· Switching power supply 

开关电源

 

  ★SPECIFICATIONS技术要求

 

 COATING

包封

Encapsulated in reinforced flame retardant plastic case sealed with epoxy resin meeting the requirement of UL 94v-0

UL 94v-0阻燃盒子并以环氧树脂封装

 LEADS

导线

Radial leads of tinned wire

径向镀锡导线

REFERENCE STANDARD

引用标准

 UL1414, ICE 384-14

 CLIMATIC CATALOGUE

气候类别

  40/85/21

CAPACITANCE VERSUS

静电容量

0.047µF----0.47μF(X2

0.001μF----0.0047μF ( Y2

RATED VOLTAGE

额定电压

275VAC (50/60 HZ)

    CAPACITANCE TOLERANCE

     静电容量误差  

M=±20%  K=±10%  J=±5%

DISSIPATION FACTOR

散逸因素

≤0.10% PP ; ≤1.0% PE  (at 20℃, 1KHz)

  VOLTAGE PROOF

耐电压

 4.3*UR  Unit:VDC   ( 1 minute at 20℃)

INSULATION RESISTANCE

绝缘电阻

 C≤0.33μF;IR≥15000MΩ

C>0.33μF;IR*C≥5000S(1minute at 20℃and RH≤65%)

 

 ENDURANCE

 耐久性

1000 hours with 344VAC at 85℃,During this period,880vac 60hz for0.1sec be applied once each hour..After the test:

85℃条件下,344VAC电压1000小时,每小时加0.1秒的880VAC的50/60HZ的电压,试验完成后:

 △C/C≤10%; △DF≤0.3%

 IR≥50% of the specified value (标称值)。 (20℃ 1KHz)

 

 

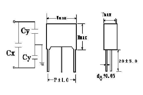
OUTLINE DRAWING 外形图           ★PICTURE  实物图   

 

DIMENSION 尺寸                                       UNIT 单位:mm

 

SYMBOL

      CAPACITANCE

SYMBOL

       CAPACITANCE

Cx (uF)

 Cy (pF)

Cx (uF)

Cy (pF)

473472

0.047

4700

334102

0.33

1000

104102

0.1

1000

334222

0.33

2200

104222

0.1

2200

334332

0.33

3300

104332

0.1

3300

334472

0.33

4700

104472

0.1

4700

474102

0.47

1000

224102

0.22

1000

474222

0.47

2200

224222

0.22

2200

474332

0.47

3300

224332

0.22

3300

474472

0.47

4700

224472

0.22

4700

 

 

 

 

 

 

 

 

 

 

 

 

 

 

 

 

 

 

 

 

 

 

SPECIAL SIZE OR ITEMS ON REQUEST可依需求制作特殊规格

 

You may download more details for it here 

 

ISO9001EN

 

ISO14000EN 

 

You can download the Specification of  MXY