MEM

MEM (CL21X) Metallized Polyester Film Capacitor (Miniature) 金属化聚酯薄膜电容器(小型化)
Product Features Product Specifications Product Certification

 

MEM (CL21X)   Metallized Polyester Film Capacitor (Miniature)
                         金属化聚酯薄膜电容器(小型化)
 
 
 

FEATURE

特点

Small size can be compared favourably with the stack film capacitor

体积小可与叠片式电容相比

Excellent self-healing and high reliability

良好自愈及高可靠性

Non-inductive consruction

无感型结构

Space saving miniature size

 

尺寸小,节省空间

APPLICATION

用途:

Blocking coupling of DC and signals to VHF range

直流减振,耦合及高频信号

Pulse,logic and timing circuit

脉冲、逻辑、定时回路

Light duty pulse forming network

 

网路中弱小信号形成

 

 

SPECIFICATIONS技术要求:

 

    DIELECTRIC

介质

Polyester film

聚酯薄膜

   ELECTRODES

电极

Vacuum evaporated metal

真空蒸镀金属

  COATING

包封

Epoxy resin coating

环氧树脂封装

 LEADS

导线

Radial leads of tinned wire

径向镀锡导线

REFERENCE STANDARD

引用标准

IEC 384-2 grade 1;SJ/T 10874-1996

CLIMATIC CATALOGUE

气候类别

40/85/21 (From 85℃ up to 105℃ with derating voltage 1.25%/℃)

         (85℃至105℃间按1.25%/℃递减电压)

   CAPACITANCE VERSUS

    RATED VOLTAGE(UR)

     静电容量与额定电压

 0.001μF-0.47μF/ 50/100VDC ;   0.001μF-0.15μF/ 250VDC

 0.001μF-0.033μF/ 400VDC ;     0.001μF-0.015μF/ 630VDC

 CAPACITANCE TOLERANCE

 静电容量误差

M=±20%  K=±10%  J=±5%

    DISSIPATION FACTOR

  (TANGENT OF LOSS)

   散逸因素(损耗角正切)

DF≤0.8% (at 20℃,1KHz)

  VOLTAGE PROOF

耐电压

1.6*UR  Unit:VDC  (5s at 20℃)

  INSULATION RESISTANCE

 绝缘电阻

C≤0.33μF, IR≥5000MΩ; C>0.33μF, IR*C≥3000S 

UR≤100V   Testing by 50 V;     UR>100V   Testing  by 100 V

(1minute at 20℃ and RH≤65%)

    ENDURANCE

    耐久性

500 hours with 125% of rated voltage at 85℃.After the test:

85℃条件下,125%之额定电压500小时。试验完成后:

△C/C≤8%;△DF≤0.30%(C>1μF);

△DF≤0.50%(C≤1μF)

 IR≥50% of the specified value (标称值).  (20℃ 1KHz)

 

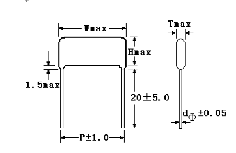
OUTLINE DRAWING 外观图               PICTURE   实物图  

 

★DIMENSIONS 尺寸                                        UNIT 单位:mm

 

(SPECIAL SIZE OR ITEMS ON REQUEST) 可依需求制作特殊规格

 

CAPACITANCE

50V/100VDC

250VDC

400VDC

630VDC

SYMBOL

μF

W

H

T

P

W

H

T

P

W

H

T

P

W

H

T

P

102

0.0010

9.0

7.5

4.0

7.5

0.6

9.0

7.5

4.0

7.5

0.6

9.0

7.5

4.0

7.5

0.6

9.0

8.0

4.5

7.5

0.6

7.3

7.0

4.0

5.0

0.6

7.3

7.0

4.0

5.0

0.6

7.3

7.0

4.0

5.0

0.6

152

0.0015

9.0

7.5

4.0

7.5

0.6

9.0

7.5

4.0

7.5

0.6

9.0

7.5

4.0

7.5

0.6

9.0

8.0

4.5

7.5

0.6

7.3

7.0

4.0

5.0

0.6

7.3

7.0

4.0

5.0

0.6

7.3

7.0

4.0

5.0

0.6

222

0.0022

9.0

7.5

4.0

7.5

0.6

9.0

7.5

4.0

7.5

0.6

9.0

7.5

4.0

7.5

0.6

9.0

8.0

4.5

7.5

0.6

7.3

7.0

4.0

5.0

0.6

7.3

7.0

4.0

5.0

0.6

7.3

7.0

4.0

5.0

0.6

332

0.0033

9.0

7.5

4.0

7.5

0.6

9.0

7.5

4.0

7.5

0.6

9.0

7.5

4.0

7.5

0.6

9.0

8.0

4.5

7.5

0.6

7.3

7.0

4.0

5.0

0.6

7.3

7.0

4.0

5.0

0.6

7.3

7.0

4.0

5.0

0.6

472

0.0047

9.0

7.5

4.0

7.5

0.6

9.0

7.5

4.0

7.5

0.6

9.0

7.5

4.0

7.5

0.6

9.0

8.0

4.5

7.5

0.6

7.3

7.0

4.0

5.0

0.6

7.3

7.0

4.0

5.0

0.6

7.3

7.0

4.0

5.0

0.6

682

0.0068

9.0

7.5

4.0

7.5

0.6

9.0

7.5

4.0

7.5

0.6

9.0

7.5

4.0

7.5

0.6

9.0

8.0

4.5

7.5

0.6

7.3

7.0

4.0

5.0

0.6

7.3

7.0

4.0

5.0

0.6

7.3

8.0

4.5

5.0

0.6

103

0.010

9.0

7.5

4.0

7.5

0.6

9.0

7.5

4.0

7.5

0.6

9.0

7.5

4.0

7.5

0.6

9.0

8.5

5.0

7.5

0.6

7.3

7.0

4.0

5.0

0.6

7.3

7.0

4.0

5.0

0.6

8.0

10.0

5.5

5.0

0.6

153

0.015

9.0

7.5

4.0

7.5

0.6

9.0

7.5

4.0

7.5

0.6

9.0

8.0

5.0

7.5

0.6

10.0

10.0

6.5

7.5

0.6

7.3

7.0

4.0

5.0

0.6

7.3

7.0

4.0

5.0

0.6

8.0

11.5

6.0

5.0

0.6

223

0.022

9.0

7.5

4.0

7.5

0.6

9.0

7.5

4.0

7.5

0.6

10.0

8.0

5.5

7.5

0.6

 

 

 

 

 

7.0

7.0

3.5

5.0

0.6

7.3

8.0

4.5

5.0

0.6

8.0

13.0

7.0

5.0

0.6

333

0.033

9.0

7.5

4.0

7.5

0.6

9.0

7.5

4.0

7.5

0.6

10.0

10.0

9.0

7.5

0.6

 

 

 

 

 

7.3

7.5

4.5

5.0

0.6

8.0

9.0

5.5

5.0

0.6

8.0

14.0

8.0

5.0

0.6

473

0.047

9.0

7.5

4.0

7.5

0.6

9.0

7.5

4.5

7.5

0.6

 

 

 

 

 

 

 

 

 

 

7.5

7.0

4.0

5.0

0.6

8.0

10.5

5.5

5.0

0.6

683

0.068

9.0

7.5

4.0

7.5

0.6

9.0

7.5

4.5

7.5

0.6

 

 

 

 

 

 

 

 

 

 

7.3

9.5

4.5

5.0

0.6

8.0

11.5

7.0

5.0

0.6

104

0.10

9.0

8.0

5.0

7.5

0.6

9.0

8.0

5.5

7.5

0.6

 

 

 

 

 

 

 

 

 

 

8.0

10.5

5.5

5.0

0.6

8.0

13.5

7.5

5.0

0.6

154

0.15

9.0

8.0

5.0

7.5

0.6

8.0

14.5

8.5

5.0

0.6

 

 

 

 

 

 

 

 

 

 

8.0

11.5

6.0

5.0

0.6

224

0.22

10.0

7.5

5.0

7.5

0.6

 

 

 

 

 

 

 

 

 

 

 

 

 

 

 

8.0

13.0

7.5

5.0

0.6

334

0.33

10.0

8.0

5.5

7.5

0.6

 

 

 

 

 

 

 

 

 

 

 

 

 

 

 

8.0

14.0

8.5

5.0

0.6

474

0.47

10.0

10.0

6.5

7.5

0.6

 

 

 

 

 

 

 

 

 

 

 

 

 

 

 

 

 

You may download more details for it here 

 

ISO14000EN 

 

ISO9001EN

 

 You can download the specification of  MEM