PPN(CBB13)

聚丙烯膜-箔式电容器(无感型) POLYPROPYLENE FILM FOIL CAPACITOR (NON-INDUCTIVE)
Product Features Product Specifications Product Certification

PPN (CBB13)  Polypropylene Film/foil Capacitor (Non-inductive)

                      聚丙烯膜-箔式电容器(无感型)

 

 

★ FEATURE  

特点:

• High stability of capacitance and DF versus temperature and frequency.

 

容量损耗随温度频率具高稳定.

 

High IR  

•高绝缘

Non-inductive construction

无感型结构

High pulse rise rate(du/dt) and suitable  for large   current circuit

高电流爬升速率并适用于大电流回路

 

 

★APPLICATION

  用途:

Most suitable for high frequency, large current circuit and s-shaping correction in TVset

 

电视中S-形校正回路及高频大电流回路

 

Widely used in high frequency,high current DC and  pulse circuits  Filter and noise suppression circuit

广泛应用于高频、大电流、直流、脉冲回路滤波及噪音抑制回路

 

SPECIFICATIONS技术要求

   DIELECTRIC

介质

Polypropylene film

聚丙烯薄膜

   ELECTRODES

电极

Aluminum foil

铝箔极板

 COATING

包封

Epoxy resin coating

环氧树脂封装

  LEADS

导线

Radial leads of tinned wire

径向镀锡导线

REFERENCE STANDARD

引用标准

IEC 384-13 ;SJ/T 10998-1996

CLIMATIC CATALOGUE

气候类别

40/85/21

   CAPACITANCE VERSUS

    RATED VOLTAGE(UR)

     静电容量与额定电压

0.001μF-0.47μF/100VDC       0.001μF-0.47μF/250VDC

0.001μF-0.33μF/400VDC;     0.001μF-0.15μF/630VDC

 CAPACITANCE TOLERANCE

 静电容量误差

M=±20%  K=±10%  J=±5%

    DISSIPATION FACTOR

  (TANGENT OF LOSS)

   散逸因素(损耗角正切)

 ≤0.1%     (at 20℃,1KHz)

  VOLTAGE PROOF

耐电压

2.0*UR  Unit:VDC  (1minute at 20℃and RH≤65%)

  INSULATION RESISTANCE

 绝缘电阻

C≤0.10μF, IR≥30000MΩ; C>0.10μF, IR*C≥5000S 

(1minute at 20℃ and RH≤65%)

 ENDURANCE

耐久性

1000 hours with 150% of rated voltage at 85℃.After the tet:

85℃条件下,150%之额定电压1000小时。试验完成后:

 △C/C≤2%;△DF≤0.04%

 IR≥50% of the specified value  (标称值) (20℃ 1KHz)

                                       

 

 

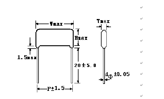
OUTLINE DRAWING 外观图             ★  PICTURE   实物图 

 

 

★DIMENSION 尺寸              UNIT 单位:mm

 

CAPACITANCE

50/100VDC

250VDC

400VDC

630VDC

SYMBOL

μF

W

H

T

P

W

H

T

P

W

H

T

P

W

H

T

P

102

0.0010

10.5

10.0

6.0

7.5

0.6

10.5

10.0

6.0

7.5

0.6

10.5

10.0

6.0

7.5

0.6

11.0

11.0

7.0

7.5

0.6

14.0

9.0

6.0

10.0

0.6

14.0

9.0

6.0

10.0

0.6

14.0

12.0

6.5

10.0

0.6

15.0

12.5

7.0

10.0

0.6

152

0.0015

10.5

10.0

6.0

7.5

0.6

10.5

10.0

6.0

7.5

0.6

10.5

11.0

7.0

7.5

0.6

11.0

11.0

7.0

7.5

0.6

14.0

9.0

6.0

10.0

0.6

14.0

9.0

6.0

10.0

0.6

14.0

12.0

6.5

10.0

0.6

15.0

12.5

7.0

10.0

0.6

222

0.0022

10.5

10.0

6.0

7.5

0.6

10.5

10.0

6.0

7.5

0.6

11.0

11.0

7.0

7.5

0.6

15.0

12.5

7.0

10.0

0.6

14.0

9.0

6.0

10.0

0.6

14.0

9.0

6.0

10.0

0.6

14.0

12.0

6.5

10.0

0.6

332

0.0033

10.5

10.0

6.0

7.5

0.6

10.5

10.0

6.0

7.5

0.6

14.0

13.0

7.0

10.0

0.6

15.0

14.0

7.0

10.0

0.6

14.0

9.0

6.0

10.0

0.6

14.0

9.0

6.0

10.0

0..6

472

0.0047

10.5

10.0

6.0

7.5

0.6

10.5

10.0

6.0

7.5

0.6

14.0

13.0

7.0

10.0

0.6

15.0

14.5

8.0

10.0

0.6

14.0

9.0

6.0

10.0

0.6

14.0

9.0

6.0

10.0

0.6

682

0.0068

10.5

11.0

7.0

7.5

0.6

10.5

11.0

7.0

7.5

0.6

14.0

14.0

7.5

10.0

0.6

15.0

14.5

8.5

10.0

0.6

14.0

9.0

6.0

10.0

0.6

14.0

9.0

6.0

10.0

0.6

103

0.010

11.0

11.0

7.0

7.5

0.6

14.0

9.5

6.5

10.0

0.6

14.0

14.0

8.0

10.0

0.6

19.0

15.0

9.0

15.0

0.8

14.0

9.0

6.0

10.0

0.6

153

0.015

11.0

11.0

7.0

7.5

0.6

14.0

10.0

7.0

10.0

0.6

19.0

14.0

10.5

15.0

0.8

19.0

15.0

10.0

15.0

0.8

14.0

9.0

6.0

10.0

0.6

223

0.022

11.0

12.0

8.0

7.5

0.6

14.0

11.0

8.0

10.0

0.6

19.0

15.0

10.5

15.0

0.8

25.0

16.0

11.0

21.0

0.8

14.0

10.0

6.0

10.0

0.6

333

0.033

14.0

10.5

7.0

10.0

0.6

14.0

12.5

9.5

10.0

0.6

19.0

17.5

11.5

15.0

0.8

25.0

18.0

12.5

21.0

0.8

473

0.047

14.0

11.0

7.5

10.0

0.8

19.0

13.0

9.0

15.0

0.8

19.0

18.0

12.5

15.0

0.8

25.0

20.0

14.0

21.0

0.8

683

0.068

19.0

12.5

8.0

15.0

0.8

19.0

13.0

9.0

15.0

0.8

19.0

18.0

12.5

15.0

0.8

25.0

20.0

14.0

21.0

0.8

104

0.10

19.0

11.0

8.5

15.0

0.8

25.0

18.0

11.0

22.5

0.8

25.0

20.0

15.0

21.0

0.8

31.0

26.0

16.5

27.5

0.8

154

0.15

25.0

15.0

8.5

22.5

0.8

25.0

17.0

12.5

22.5

0.8

31.0

24.5

16.5

27.5

0.8

31.0

28.0

18.0

27.5

0.8

224

0.22

25.0

17.0

9.5

22.5

0.8

31.0

20.0

13.5

27.5

0.8

31.0

26.0

17.5

27.5

0.8

 

 

 

 

 

334

0.33

31.0

18.0

12.0

27.5

0.8

31.0

22.0

15.0

27.5

0.8

31.0

21.0

9.0

27.5

0.8

 

 

 

 

 

474

0.47

31.0

23.0

14.0

27.5

0.8

31.0

25.0

17.0

27.5

0.8